Questions in this chapter
'ভোল্ট' এককটি ব্যবহৃত হয়-
i. কোষের তড়িচ্চালক শক্তি পরিমাপে
ii. রোধকের দুই প্রান্তের বিভব পার্থক্য পরিমাপে
iii. তারের আপেক্ষিক রোধ নির্ণয়ে
নিচের কোনটি সঠিক?
10 Ω রোধের কুন্ডলীর মধ্য দিয়ে 10 A তড়িৎ প্রবাহ 1 মিনিট সময় ধরে চালনা করলে উৎপন্ন তাপের পরিমাণ-
কার্শফের সূত্র অনুসারে-
নিচের কোনটি সঠিক?
নিচের কোনটি মিটার ব্রিজ দ্বারা পরিমাপ করা যায়?
নিচের কোনটি শান্টের গুণক?

বর্তনীটিতে শুধু রোধের মান পরিবর্তন করা হলে উৎপ্ন তাপের পরিবর্তন নিচের কোন লেখচিত্রটি সমর্থন করে?
মিটার ব্রিজের সাহায্যে কোনটি নির্ণয় করা যায়?
একটি তারকে কেটে দুই ভাগ করলে-
নিচের বর্তনীটি লক্ষ্য করো এবং প্রশ্নের উত্তর দাও:

বর্তনীর তুল্যরোধ কত?
নিচের বর্তনীটি লক্ষ্য করো এবং প্রশ্নের উত্তর দাও:

চিত্রের P এবং S এর মধ্যে দিয়ে তড়িৎ প্রবাহের অনুপাত কত?
নিচের কোনটির রোধের উষ্ণতা গুণাংক ঋণাত্মক?
তাপের যান্ত্রিক সমতার একক কোনটি?
একটি তামার তারের রোধ 2R। আয়তন সমান রেখে তারটির দৈর্ঘ্য দ্বিগুণ করা হলে, পরিবর্তিত রোধ কত?
একটি পদার্থের আপেক্ষিক রোধ 2m 3mm ব্যাসের কত দৈর্ঘ্যের তারের রোধ 12 হবে?
নিচের কোনটি রোধ পরিমাপে ব্যবহৃত হয়?

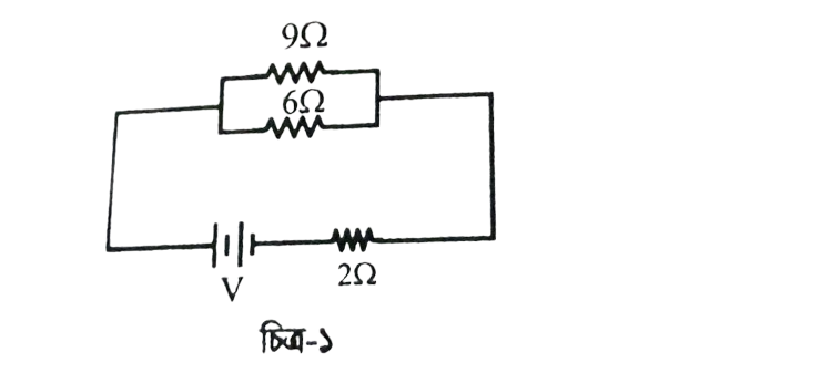
চিত্র-১ এ প্রদর্শিত বর্তনীতে 9 রোধটিতে ব্যয়িত ক্ষমতা 36 W হলে 2 রোধটির দুই প্রান্তের বিভব পার্থক্য নিচের কোনটি?

বর্তনীতে -এর মান কত?

কোষে হারানো ভোল্ট কত হবে?
বর্তনীতে তড়িৎ প্রবাহের পরিমাণ কত?